Which one of the following matrices has an inverse?
If any matrix has one or more rows that are linearly dependent on other rows then determinant is 0
Let us check options Where determinant
(a) determinant
(b) determinant
(c) all rows are linearly independent
determinant
(d) determinant
The number of junctions in the circuit is
Junction node where 3 or more branches meet
Short circuit single junction
6 junctions (A to F)
The circuit shown in the figure with the switch S open, is in steady state. After the switch S is closed, the time constant of the circuit in seconds is
Current source → OC
Suppose signal is obtained by the time-reversal of signal , i.e., . Which one of the following options is always true for the convolution of and ?
Since convolution is commutative in nature
is even.
If is the unit step function, then the region of convergence (ROC) of the Laplace transform of the signal is
is a finite duration signal from to
Hence, is entire plane.
A three phase, pole induction motor runs at . The stator copper loss, core loss, and the rotational loss of the motor can be neglected. The percentage efficiency of the motor is
Losses are ignored but we cannot ignore rotor copper losses. Since there are no friction and windage losses the mechanical developed power is same as output power.
Since, stator losses are ignored the input power is same as air gap power.
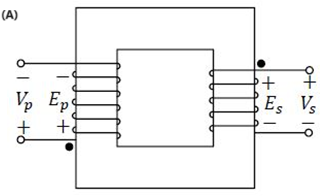
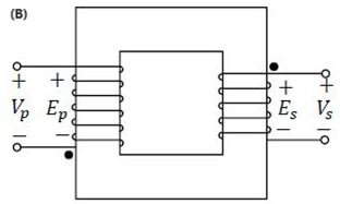
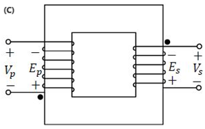
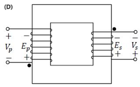
Which one of the following options represents possible voltage polarities in a single phase two winding transformer? Here, is the applied primary voltage, is the induced primary voltage, is the open circuit secondary voltage, and is the induced secondary voltage.
Marks to all
Basic Principle of Transformer states that dots on both primary and secondary must have same polarity of voltage.
This condition is satisfied in Option B but in option B the dots are wrongly placed.
The correct diagram should be
But this does not match any of the given options.
The figure shows the single line diagram of a 4-bus power network. Branches , , and have impedances , and per-unit (pu), respectively, where , with and . The current drawn from each load bus (marked as arrows) is equal to pu, where . If the network is to operate with minimum loss, the branch that should be opened is
Let’s open each branch one by one.
(A) removed
(B) removed
(C) removed
(D) removed
For the block-diagram shown in the figure, the transfer function is
By Mason's gain formula,
and
No non touching loop pair
Only forward path
Consider the standard second-order system of the form with the poles and having negative real parts. The pole locations are also shown in the figure. Now consider two such second-order systems as defined below:
System 1: and
System 2: and
Which one of the following statements is correct?
Consider the cascaded system as shown in the figure. Neglecting the faster component of the transient response, which one of the following options is a first order pole-only approximation such that the steady-state values of the unit step responses of the original and the approximated systems are same?
dominant pole put in remaining portion
The table lists two instrument transformers and their features:
The correct matching of the two columns is
CT does not have a primary winding but the line acts as primary over which we wound the secondary winding. So primary current is line current.
If CT is OC, then secondary current is 0 and there is no secondary flux to oppose primary flux due to which flux becomes very high and then very high emf is induced in secondary and cause residual magnetism in the core which will increase phase angle error.
PT is connected with line voltage and its load current in dependent on the burden. When we connect load on secondary the secondary current flows and this tends to reduce primary flux but transformer is constant flux device so primary draws extra current from source to compensate the secondary flux.
Simplified form of the Boolean function
Is
By Redundant Literal Rule
&
In the circuit, the present value of is 1. Neglecting the delay in the combinatorial circuit, the values of and , respectively, after the application of the clock will be
Since the output Q is fed back to the combinational circuit as Z
If the following switching devices have similar power ratings, which one of them is the fastest?
Power MOSFET is the fastest device among all the power semiconductor devices.
A single-phase triac based AC voltage controller feeds a series RL load. The input AC supply is . The values of and are and , respectively. The minimum triggering angle of the triac to obtain controllable output voltage is
Which of the following complex functions is/are analytic on the complex plane?
Analytic functions don’t contain
or simplification.
Option D –
By Cauchy Riemann Equations
Since,
Cauchy Riemann Equations are satisfied so function is analytic.
Consider the complex function . The coefficient of in the Taylor series expansion of about the origin is ________ (rounded off to 1 decimal place).
Expanding the given function with the help of Taylor Series
no term present
The sum of the eigenvalues of the matrix is ________ (rounded off to the nearest integer).
The eigenvalues of the matrix raised to a certain power is eigenvalue raised to that same power.
Let be the Fourier transform of the signal
The value of the derivative of at is ________ (rounded off to 1 decimal place).
Since the product of two even functions is always even.
The incremental cost curves of two generators (Gen A and Gen B) in a plant supplying a common load are shown in the figure. If the incremental cost of supplying the common load is Rs. 7400 per MWh, then the common load in MW is ________ (rounded off to the nearest integer).
Based on equation of straight line
Since we cannot go below minimum value of power
A forced commutated thyristorized step-down chopper is shown in the figure. Neglect the ON-state drop across the power devices. Assume that the capacitor is initially charged to 50 V with the polarity shown in the figure. The load current can be assumed to be constant at 10 A. Initially, is and is OFF. The turn-off time available to in microseconds, when is triggered, is _______ (rounded off to the nearest integer).
Given circuit belongs to Class-D commutation
Consider a vector , where represent unit vectors along the coordinate axes respectively. The directional derivative of the function at the point in the direction of is
Gradient of f is given by,
At ,
At,
Unit Vector
The input and the output of a system are related as
The output of the system to two inputs are
Linearity:-
hence linear
Time-variance
For
Let
to
to
Now,
Consider the discrete-time systems and defined as follows:
Which one of the following statements is true?
For impulse response of this system we have to consider the input as Impulse Signal.
Since the impulse response is not absolutely summable the system is Unstable.
Assume x[n] is bounded that is
For
The above signal is bounded for all values of n and hence for a bounded input we are getting bounded output so the system is BIBO Stable.
If the -transform of a finite-duration discrete-time signal is , then the transform of the signal is
Let
m/2 must be an integer.
is even.
A 3-phase, 11kV, 10 MVA synchronous generator is connected to an inductive load of power factor via a lossless line with a per-phase inductive reactance of . The per-phase synchronous reactance of the generator is with negligible armature resistance. If the generator is producing the rated current at the rated voltage, then the power factor at the terminal of the generator is
The reactance of Lossless Line is,
Load pf angle
Generator Terminal Voltage,
Load Current,
Assume receiving end voltage as reference,
By KVL,
Since the line is lossless, power at sending end i.e. generator terminals must be same as load power
Sending end pf,
For the three-bus lossless power network shown in the figure, the voltage magnitudes at all the buses are equal to 1 per unit , and the differences of the voltage phase angles are very small. The line reactances are marked in the figure, where , and are strictly positive. The bus injections and are in pu. If , where , and the real power flow from bus 1 to bus 2 is , then which one of the following options is correct?
Since the phase angle differences are very small
Given,
A BJT biasing circuit is shown in the figure, where and . The Quiescent Point values of and are respectively
For Voltage Divider Bias, we need to compute Thevenin Equivalent at Base Terminals
in BE loop
KVL in CE loop,
Let be a real-valued function whose second derivative is positive for . Which of the following statements is/are always true?
This means the f’(t) is a monotonically increasing function.
Hence, f’(t) can be zero at most once and hence there can only be at most one local minima.
Since, double derivative is always positive so we cannot comment on local maxima.
Consider the function for , where denotes the maximum of and . Which of the following statements is/are true?
The graph of f(t) is as shown below,
The derivative of f(t) is given by
exists and is continuous.
Two passive two-port networks and are connected as shown in the figure. The impedance matrix of network is . The admittance matrix of network is . Let the ABCD matrix of the two-port network in the figure be . The value of in is _______(rounded off to 2 decimal places).
Note:
For the first two port network based on given Z parameters
From second equation
Substitute in first equation
Corresponding transmission parameters for first network are,
For the second network, as per given Y parameters
From second equation
Substitute in first equation
Corresponding transmission parameters for second network are,
For cascading transmission parameter matrices get multiplied
For the circuit shown in the figure, the source frequency is . The mutual inductance between the magnetically coupled inductors is with their self inductances being and . The Thevenin's impedance, , between the terminals and Q in is _______ (rounded off to 2 decimal places).
Based on T model of the transformer we can redraw the circuit as,
In the circuit shown, and . It is supplied by a three phase source with the phase sequence being R-Y-B. Assume the watt meters and to be ideal. The magnitude of the difference between the readings of and in watts is _______ (rounded off to 2 decimal places).
In the coordinate system, three point-charges , and are located in free space at , and , respectively. The value of for the electric field to be zero at is ________(rounded off to 1 decimal place).
For net to be zero at ,
The given equation represents a magnetic field strength in the spherical coordinate system, in free space. Here, and represent the unit vectors along and , respectively. The value of in the equation should be ________ (rounded off to the nearest integer).
For a magnetic field,
If the energy of a continuous-time signal is and the energy of the signal is , then is ________ (rounded off to 1 decimal place).
Energy of a signal is not affected by time shifting
Energy of a signal changes due to time scaling
After amplitude scaling the energy becomes
A 3-phase star connected slip ring induction motor has the following parameters referred to the stator:
The per phase stator to rotor effective turns ratio is . The rotor winding is also star connected. The magnetizing reactance and core loss of the motor can be neglected. To have maximum torque at starting, the value of the extra resistance in ohms (referred to the rotor side) to be connected in series with each phase of the rotor winding is ________ (rounded off to 2 decimal places).
Only rotor resistance load
For start, s=1
For maximum torque we must have maximum air gap power that is power across rotor resistance should be maximum.
By MPT,
Referring the external resistance to the rotor side,
A DC shunt motor has armature resistance including brushes. The motor draws a no-load current of . The field current is constant at . Assuming that the core and rotational losses are constant and independent of the load, the current (in amperes) drawn by the motor while delivering the rated load, for the best possible efficiency, is ________ (rounded off to 2 decimal places).
At NL,
Constant loss
At rated load,
Developed Power,
(lower value as for higher value of armature current, )
The single line diagram of a lossless system is shown in the figure. The system is operating in steady-state at a stable equilibrium point with the power output of the generator being , where is the load angle and the mechanical power input is . A fault occurs on line 2 such that the power output of the generator is less than during the fault. After the fault is cleared by opening line 2 , the power output of the generator is . If the critical fault clearing angle is radians, the accelerating area on the power angle curve is ________times (rounded off to 2 decimal places).
Assume maximum power transferrable before the fault
Before fault the system is operating under steady state so
After fault clearance,
Accelerating area = Decelerating area (by equal area criterion)
Decelerating Area
Consider the closed-loop system shown in the figure with
The root locus for the closed-loop system is to be drawn for . The angle of departure (between and ) of the root locus branch drawn from the pole , in degrees, is __________ (rounded off to the nearest integer)
Poles:
Zeroes:
Consider the stable closed-loop system shown in the figure. The asymptotic Bode magnitude plot of has a constant slope of decade at least till with the gain crossover frequency being . The asymptotic Bode phase plot remains constant at at least till . The steady-state error of the closed-loop system for a unit ramp input is ________ (rounded off to 2 decimal places).
Starting slope
pole at origin
The value of frequency at which the initial line of slope -20dB/dec intersects 0dB line gives the value of velocity error constant.
Consider the stable closed-loop system shown in the figure. The magnitude and phase values of the frequency response of are given in the table. The value of the gain for a phase margin is ________ (rounded off to 2 decimal places).
Based on phase angle of transfer function G, we can determine the frequency,
From table,
and
By definition of ,
In the given circuit, the diodes are ideal. The current through the diode in milliamperes is ________ (rounded off to two decimal places).
Both
By nodal,
Final state as both and are .
A difference amplifier is shown in the figure. Assume the op-amp to be ideal. The CMRR (in ) of the difference amplifier is ________ (rounded off to 2 decimal places).
By virtual short,
By KCL,
A single-phase half-controlled bridge converter supplies an inductive load with ripple free load current. The triggering angle of the converter is . The ratio of the rms value of the fundamental component of the input current to the rms value of the total input current of the bridge is ________ (rounded off to 3 decimal places).
semi-converter is given by,
A single-phase full bridge voltage source inverter (VSI) feeds a purely inductive load. The inverter output voltage is a square wave in conduction mode. The fundamental frequency of the output voltage is 50 Hz. If the DC input voltage of the inverter is 100 V and the value of the load inductance is 20mH, the peak-to peak load current in amperes is ________ (rounded off to the nearest integer).
For L-load in full bridge VSI, the load current looks like as shown
In the DC-DC converter shown in the figure, the current through the inductor is continuous. The switching frequency is 500 Hz. The voltage across the load is assumed to be constant and ripple free. The peak inductor current in amperes is ________(rounded off to the nearest integer).
Boost converter
A single-phase full-controlled thyristor converter bridge is used for regenerative braking of a separately excited DC motor with the following specifications:
Assume that the motor is running at 600rpm and the armature terminals of the motor are suitably reversed for regenerative braking. If the armature current of the motor is to be maintained at the rated value, the triggering angle of the converter bridge in degrees should be ________ (rounded off to 2 decimal places).
At rated condition,
Now,
For regenerative braking the converter operates in Inverting Mode so we have to show emf with reversed polarity
To obtain the Boolean function , the inputs in the figure should be
If
Let be a discrete random variable that is uniformly distributed over the set . Which of the following random variables is/are uniformly distributed?
Since X is uniformly distributed so probability of each symbol is equal to
Since all symbols except 0 occur twice in this sequence
(B)
Since all symbols occur only once in this sequence and hence this random variable is also uniformly distributed.
Else we can say that cubic function is one to one mapping so a uniformly distributed Random Variable is mapped to a uniformly distributed Random Variable.
(C)
The values 25,16,9,4,1 occur twice while rest of all the values occur only once so this is not an uniformly distributed random variable.
(D)
Since all symbols occur only once in this sequence and hence this random variable is also uniformly distributed.
Options (b) and (d) have no repeated samples.
Which of the following differential equations is/are nonlinear?
For linearity, and its derivatives should exist separately in each term only.
Also neither the function or any of its derivatives should appear in exponential or transcendental functions.
For a two-phase network, the phase voltages and are to be expressed in terms of sequence voltages and as . The possible option(s) for matrix S is/are
In S, no row can be linearly dependent.
Also no element can be zero.
Only then and can be in terms of and .
Only the matrices in options A and D satisfy these conditions.
Which of the following options is/are correct for the Automatic Generation Control (AGC) and Automatic Voltage Regulator (AVR) installed with synchronous generators?
AGC controls the steam input of the generator to regulate the power generated by the generating unit. But as soon as the output of one generating unit changes the output of other generating units must change to meet the load demand.
When the real power output of generating unit changes the frequency also changes as per droop characteristics and hence AGC has global effect of frequency.
AVR controls the excitation of a generating unit to maintain terminal voltage within specified limits. So AVR has local effect on voltage.




















































































































































































































































































































































































































































































































































































































































































