Analog Electronics
Diode and Its Applications
Practice questions from Diode and Its Applications.
2
Total0
Attempted0
Correct0
IncorrectIn the given circuit, the diodes are ideal. The current through the diode in milliamperes is ________ (rounded off to two decimal places).
Both
By nodal,
Final state as both and are .
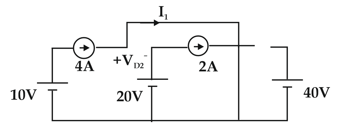
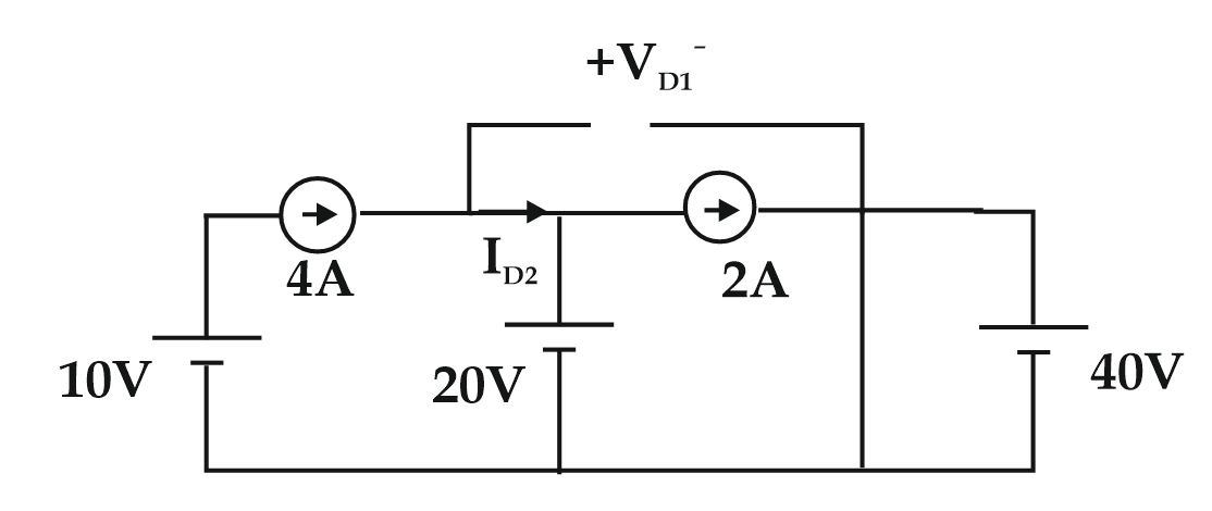
All the elements in the circuit shown in the following figure are ideal. Which of the following statements is/are true?
When S is ON, diode D3 gets reverse biased
Assume D1 is ON & D2 is OFF
I1 = 4A > 0 ∴D1 is ON
VD2 = -20 V < 0 ∴D2 is OFF
∴ Option (b) is correct
When S is OFF, D3 is ON due to 2A current source Assume D1 is OFF & D2 is ON
ID2 = 4A > 0 ∴ D2 is ON
VD1 = 20 – 40 = -20 < 0 ∴D1 is OFF
∴ Option (c) is correct
























