Network Analysis
Three Phase Circuits
Practice questions from Three Phase Circuits.
12
Total0
Attempted0
Correct0
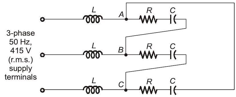
IncorrectA balanced delta connected load consisting of the series connection of one resistor (R=15Ω) and a capacitor in each phase is connected to three-phase, supply terminals through a line having an inductance of per phase, as shown in the figure. Considering the change in the supply terminal voltage with loading to be negligible, the magnitude of the voltage across the terminals in Volts is ________ (Round off to the nearest integer).
Explanation Locked!
Unlock this branch to view the explanation, track, bookmark and more.
Sign in to UnlockIn the circuit shown below, a three-phase star-connected unbalanced load is connected to a balanced three-phase supply of with phase sequence ABC. The star connected load has and . The value of in , for which the voltage difference across the nodes n and n’ is zero is
Explanation Locked!
Unlock this branch to view the explanation, track, bookmark and more.
Sign in to UnlockTwo balanced three-phase loads, as shown in the figure, are connected to a 100√3 V, three-phase, 50 Hz main supply. Given and .
The ammeter reading, in amperes, is _______. (round off to nearest integer)
Explanation Locked!
Unlock this branch to view the explanation, track, bookmark and more.
Sign in to UnlockA three-phase balanced voltage is applied to the load shown. The phase sequence is RYB. The ratio is ________.
Explanation Locked!
Unlock this branch to view the explanation, track, bookmark and more.
Sign in to UnlockThe line currents of a three-phase four wire system are square waves with amplitude of 100 A. These three currents are phase shifted by 120° with respect to each other. The rms value of neutral current is
Explanation Locked!
Unlock this branch to view the explanation, track, bookmark and more.
Sign in to UnlockA three-phase load is connected to a three-phase balanced supply as shown in the figure. If , and (angles are considered positive in the anti-clockwise direction), the value of R for zero current in the neutral wire is _______ (up to 2 decimal places).
Explanation Locked!
Unlock this branch to view the explanation, track, bookmark and more.
Sign in to UnlockFor the balanced Y-Y connected 3-phase circuit shown in the figure below, the line-line voltage is 208 V rms and the total power absorbed by the load is 432 W at a power factor of 0.6 leading.
The approximate value of the impedance Z is
Explanation Locked!
Unlock this branch to view the explanation, track, bookmark and more.
Sign in to UnlockIn the balanced 3-phase, 50Hz, circuit shown below, the value of inductance (L) is 10mH. The value of the capacitance (C) for which all the line currents are zero, in millifarads, is ____________
Explanation Locked!
Unlock this branch to view the explanation, track, bookmark and more.
Sign in to UnlockThe line A to neutral voltage is for a balanced three phase star-connected load with phase sequence ABC. The voltage of line B with respect to line C is given by
Explanation Locked!
Unlock this branch to view the explanation, track, bookmark and more.
Sign in to UnlockFor the three-phase circuit shown in Figure, the ratio of the current is given by
Explanation Locked!
Unlock this branch to view the explanation, track, bookmark and more.
Sign in to UnlockA set of 3 equal resistor, each of value , connected in star across RYB of given figure consumes the same power as the unbalanced delta-connected load shown. The value of is __________Ω
Explanation Locked!
Unlock this branch to view the explanation, track, bookmark and more.
Sign in to UnlockUsing Thevenin equivalent circuit, determine the rms value of the voltage across the 100 ohm resistor (PQ) after the switch is closed in the 3-phase shown in figure.
Explanation Locked!
Unlock this branch to view the explanation, track, bookmark and more.
Sign in to Unlock








































