Network Analysis
Transient Analysis
Practice questions from Transient Analysis.
46
Total0
Attempted0
Correct0
IncorrectIn the circuit, shown below, if the values of R and C are very large, the form of the
output voltage for a very high frequency square wave input, is best represented by
Step 1: Understanding the Square Wave Input
The input voltage is a square wave defined as:
This pattern repeats every T seconds.
Step 2: Charging Phase ( )
At t=0, the source switches to +1V, and the capacitor begins charging from its initial voltage (where ).
The charging equation for the capacitor voltage is:
Here:
- = +1V (target voltage).
- (starting voltage).
Substituting these values:
At , the capacitor voltage reaches +V (due to steady-state symmetry):
Step 3: Solving for V
Rearranging the equation:
For high RC( ) , the exponential term can be approximated using the Taylor series:
Substituting this approximation:
Simplifying:
Neglecting the small term :
The exact solution is:
For , so .
Step 4: Discharging Phase
At , the source switches to , and the capacitor begins discharging toward from .
The discharging equation is:
At , the capacitor voltage reaches , completing the cycle.
Final Expression for Capacitor Voltage
For :
For :
Conclusion
The capacitor voltage oscillates between and , where:
This is because the capacitor cannot fully charge/discharge due to the high RC time constant. The waveform resembles a clipped exponential curve, oscillating below the input square wave amplitude.
The switch (S) closes at . The time, in sec, the capacitor takes to charge to 50 V is ________ (round off to one decimal place).
For t<0 sec,
Under steady-state,
For ,
= 25V
Under steady state (when capacitor is fully charged and current becomes zero),
Let time takes to charge the capacitor to 50 V.
The circuit shown in the figure with the switch S open, is in steady state. After the switch S is closed, the time constant of the circuit in seconds is
Current source → OC
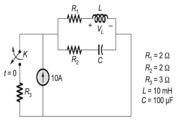
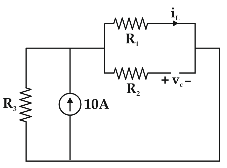
The value of parameters of the circuit shown in the figure are :
For time , the circuit is at steady state with the switch ' ' in closed condition. If the switch is opened at , the value of the voltage across the inductor at in Volts is ________ (Round off to 1 decimal place).
Since the switch was closed for a long time before t = 0 circuit is in steady state at
∴ L is short circuited & C is open circuited
At t = 0+ S is opened & inductor is replaced by a current source & capacitor is replaced by a voltage source.
By KCL, current in capacitor branch = 4A
By KVL, 6R1 + VL = 4R2 + 12
VL = 4 × 2 – 6 × 2 + 12 = 8 volt
In the circuit shown below, the switch Sis closed at t = 0. The magnitude of the steady state voltage, in volts, across the 6Ω resistor is_________ (round off to two decimal places).
In steady state capacitor acts as an open circuit for DC supply.
The voltage across 6 Ω is
In the circuit, switch 'S’ is in the closed position for a very long time if the switch is opened at time t = 0, then iL(t) in amperes, for t > 0 is
At t = 0-
For t > 0
At t = ∞
A 100 Hz square wave, switching between 0V and 5V, is applied to a CR high-pass filter circuit as shown, The output voltage waveform across the resistor is 6.2V peak-to-peak, If the resistance R is 820Ω. then the value C is_________ μF. (Round off to 2 decimal places.)
For 1st half cycle, V0 = 5 – VC
For 2nd half cycle, V0 = -Vc
Vp-p = (5 – Vc min) – (-Vc max)
6.2 = 5 + Vc max – Vc min
Vc max – Vc min = 1.2 ………..(α)
For first half cycle i.e.
………(i)
………(ii)
……….(iii)
From (ii),
Using equation (iii),
As
And
A resistor and a capacitor are connected in series to a 10 V DC supply through a switch. The switch is closed at t=0, and the capacitor voltage is found to cross 0V at t=0.4τ, where τ is the circuit time constant. The absolute value of percentage change required in the initial capacitor voltage if the zero crossing has to happen at t=0.2τ is_________ (rounded off to 2 decimal places).
If initial charge polarities on the capacitor is opposite to the supply voltage then only the capacitor voltage crosses the zero line.
Vc(t) ⇒ Final value + (Initial value - Final value)
Now,
% change in voltage
In the circuit shown below, the switch is closed at t=0. The value of in degrees which will give the maximum value of DC offset of the current at the time of switching is
at
For maximum transient,
A 0.1capacitor charged to 100 V is discharged through a resistor. The time in ms (round off to two decimal places) required for the voltage across the capacitor to drop to 1 V is ___________
Initial capacitor voltage,
Due to discharge capacitor
0.1msec
0.46msec
A DC voltage source is connected to a series L-C circuit by taming on the switch S at time t-0 as shown in the figure. Assume. Which one of the following circular loci represents the plot of i(t) versus v(t)?
Voltage across capacitor =
Inductor current
The locus of this equation is a circle centered at (5,0)
The switch in the figure below was closed for a long time. It is opened at t = 0. The current in the inductor of 2 H for, is
The circuit enters steady state at .
So inductor is shorted
After opening the switch, Req across inductor
For source free RL circuit
The initial charge in the 1 F capacitor present in the circuit shown is zero. The energy in joules transferred from the DC source until steady state condition is reached equals ________ . (Give the answer up to one decimal place).
The given circuit can be redrawn as.
The network of resistors is a balanced bridge, so the network is reduced to
Current in RC circuit will be =
Power supplied by source =
In the circuit shown, switch has been closed for a long time. At time t = 0 switch is closed. At , the rate of change of current through the inductor, in amperes per second, is _____________.
When \(S_1\) is open and \(S_2\) is closed, the circuit enters steady state so Inductor will be shorted. The system is shown below,
Current through inductor
When switch is closed at then inductor
current at that instant will not change i.e.
It will be 1.5 A; it can be replaced by a current source at that instant.
Let V→ voltage at node A = voltage across inductor
KCL at A,
A series RL circuit is excited at t = 0 by closing a switch as shown in the figure. Assuming zero initial conditions, the value of at t = 0 is
The current in an sourced RL circuit is given by,
A combination of capacitor with an initial voltage in series with a resistor is connected to a 20mA ideal dc current source by operating both switches at t = 0 s as shown. Which of the following graphs shown in the options approximates the voltage across the current source over the next few seconds?
Switch across current source is opened at t = 0
Since, Voltage across capacitor cannot change instantaneously
For t > 0
=
So, curve is a straight line passing through origin as shown.
The switch SW shown in the circuit is kept at position ‘1’ for a long duration. At t = 0+, the switch is moved to position ‘2’. Assuming, the voltage across the capacitor is
When the switch is connected to position ‘1’ for a long time, the circuit enters steady state,
Now when the switch is moved to position ‘2’ the steady state voltage is,
If we reverse the polarity of capacitor voltage, we get
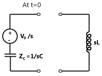
The driving point impedance Z(s) for the circuit shown below is
Impedance of capacitor =
Impedance of inductor = s
Series equivalent =
This equivalent is connected in parallel with capacitor. Assuming equivalent of parallel combination is Z1
Driving Point Impedance,
The switch in the circuit has been closed for a long time. It is opened at t = 0. At , the current through the line capacitor is
For , the switch is shorted
Since capacitor behaves as an open circuit
for steady state
Since voltage across a capacitor doesn’t change suddenly
For
In the figure shown, all elements used are ideal. For time t < 0, \(S_1\) remained closed and \(S_2\) open. At
t = 0, \(S_1\) is opened and \(S_2\) is closed. If the voltage \(Vc_2\) across the capacitor \(C_2\) at t = 0 is zero, the voltage across the capacitor combination at will be
For t < 0, the circuit configuration is shown below,
Since voltage across capacitor doesn’t change immediately
At , the circuit configuration is shown below,
Change stored in before t=0
Since, there is no resistor in the circuit, the charge shall remain conserved.
So, charge stored after t=0 in the combination of capacitor
Since voltage across both capacitor will be identical as both are in parallel
From equation (1) & (2)
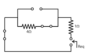
The time constant for the given circuit will be
For finding time constant, current source is opened and finding equivalent resistance & equivalent capacitance. The process of simplification is shown below,
Time constant
In the circuit shown in figure switch \(SW_1\), is initially CLOSED and \(SW_2\) is OPEN. The inductor L carries a current of 10A and the capacitor is charged to 10 V with polarities as indicated. \(SW_2\), is initially CLOSED at and \(SW_1\), is OPENED at t=0. The current through C and the voltage across L at is
At , \(SW_1\) is OPEN and \(SW_2\) is CLOSED
Applying KCL at
In the circuit shown in the figure, the current source I = 1A, voltage source V = 5V, , ,
In steady state, the currents (in A) through R3 and the voltage source V respectively will be
Since no switching action takes place, so the circuit is in steady state.
In steady state capacitor acts as open circuit while inductor acts as short circuit.
So redrawing the circuit:
On applying KCL at node A,
Applying KVL in 2nd loop
Current in
Current in voltage source=4A
An ideal capacitor is charged to a voltage V0 and connected at t = 0 across an ideal inductor L. (The circuit now consists of a capacitor and inductor alone). If we let , the voltage across the capacitor at time t > 0 is given by
Voltage across capacitor will discharge through inductor up to voltage across capacitor becomes zero. In this period electrostatic energy stored in capacitor will transfer to electromagnetic energy in inductor. After that the inductor starts charging the capacitor and magnetic energy of inductor is converted to electrostatic energy again.
Voltage across capacitor=V(s)=Voltage across inductor
Let
Taking inverse Laplace
In Figure, the initial capacitor voltage is zero. The switch is closed at t = 0. The final steady-state voltage across the capacitor is:
At steady state capacitor acts as open circuited
At steady state circuit is shown in the figure,
From potential divider rule
The circuit shown in Figure is in steady state, when the switch is closed at t = 0. Assuming that the inductance is ideal, the current through the inductor at equals
Before t=0, switch is opened and circuits at steady state
So inductor will be short circuited
Since current through inductor doesn’t change instantly
A coil of inductance 10H resistance is connected as shown in figure. After the switch S has been in connected with point 1 for a very long time, it is moved to point 2 at t=0
If, at t = 0+, the voltage across the coil is 120V, the value of resistance R is:
For t<0, the switch is connected in Position 1 as shown below,
Since the circuit is at steady state the inductor behaves
as short circuit
Current at t<0,
Current doesn’t change abruptly in inductor
At , the inductor behaves as constant current source.
Voltage across coil at =Voltage across
A coil of inductance 10H resistance is connected as shown in figure. After the switch S has been in connected with point 1 for a very long time, it is moved to point 2 at t=0
For the value of R obtained in (a), the time taken for 95% of the stored energy dissipated is close to
For t > 0, the circuit in Laplace Domain can be represented as shown below,
Inductor Voltage Source,
Initial stored energy in inductor
If 95% energy is dissipated in Inductor only 5% energy remains
Remaining energy in inductor
In figure, the capacitor initially has a charge of 10 Coulomb. The current in the circuit one second after the switch S is closed will be
Before t=0
Since voltage across capacitor doesn’t change abruptly
After t=0
At steady state,
Capacitor behaves as open circuit
At t=1sec
The RMS value of the resultant current in a wire which carries a dc current of 10 A and a sinusoidal alternating current of peak value 20 A is
[Peak]
In the circuit shown in Figure, the switch S is closed at time t = 0. The voltage across the inductance at
, is
Before t=0
Circuit was not energized
So and
Since current through inductor and voltage across capacitor doesn’t change abruptly
and
i.e., Inductor will behave as open circuit and capacitor will behaves as short circuit
At
Current from source at ,
Voltage across inductor at
An 11 V pulse of 10 µs duration is applied to the circuit shown in Figure. Assuming that the capacitor is completely discharged prior to applying the pulse, the peak value of the capacitor voltage is
Since voltage pulse is applied to . So capacitor will change up to . So capacitor voltage will be at peak and then the capacitor will discharge upto
Before applying voltage pulse,
Equivalent Resistance across Capacitor Terminals,
At steady state capacitor acts as open circuit, so voltage can be determined by Potential Divider.
Capacitor voltage as a function of time is,
;
This equation has been written assuming a constant 11V source at the terminals but this equation is only valid upto 10μs till the source is connected and after that discharging RC circuit will be used.
For peak voltage
In the circuit shown in Figure, the switch is closed at time t = 0. The steady state value of the voltage is
At steady state inductors behave as short circuit while capacitors will behave as open circuit
Circuit diagram at steady state is shown below,
Voltage across resistor
By potential divider rule,
A constant current source is supplying 10A to a circuit shown in Figure. The switch S, which is initially closed for a sufficiently long time, is suddenly opened. Obtain obtain the complete time response of the inductor current. What is the energy stored in L, a long time after the switch is opened?
When the switch is closed for a long time the entire current flows through the short circuit and hence initial inductor current,
When the switch is opened current gets divided into
resistance and inductance,
---------(1)
Since, both R and L are connected in parallel,
From (1)
Solving the differential as a linear DE, we get
The steady state current in Inductor is,
Hence, energy stored after a long time or in Steady State,
Note: This circuit can also be simplified by using source transformation and converting the current source to a voltage source and then standard equation of charging RL circuit can be applied.
A unit step voltage is applied at t = 0 to a series RL circuit with zero initial conditions.
The circuit before closing the switch and under steady state is shown below,
Before t = 0,
Current in an Inductor is continuous,
At steady state inductor will be short circuited.
The current as a function of ‘t’ is given by,
Hence current is exponential = option (A) & (D) are wrong.
Since at current through resistor inductor combination is zero.
So voltage across resistor at = 0 x R
Since current at steady state is and is non – zero.
So the energy stored at steady state in non – zero.
Hence option (c) is not correct.
A voltage waveform is applied across a 1H inductor for , with initial current through it being zero. The current through the inductor for is given by
Current cannot change instantaneously in an Inductor.
For t > 0
Since,
c = 0
A rectangular voltage pulse of magnitude V and duration T is applied to a series combination of resistance R and capacitance C. The maximum voltage developed across the capacitor is:
The rectangular pulse would be applied to series RC circuit as shown below,
During the interval 0 < t < T
Supply Voltage v(t) = V
The equation of capacitor voltage can be determined on the basis of standard charging RC circuit.
At t = T,
For the interval t > T, v(t) = 0
So, the circuit behaves as discharging RC Circuit.
Thus, the voltage exponentially decays after t=T and hence maximum voltage occurs at t = T.
When a periodic triangular voltage peak amplitude 1V and frequency 0.5Hz is applied to a parallel combination of 1Ω resistance and 1F capacitance, the current through the voltage source has wave-form
The given circuit configuration can be represented as,
Current through voltage source, l =
Various waveforms for the above circuit are shown below,
In the circuit shown in figure, capacitor is initially charged to 12V. Find the mathematical expression for the voltage across the capacitor after closing the switch at t=0
The network given is shown below,
Initially, capacitor is charged to 12V
Since, there is no active device to supply energy in the circuit.
For equivalent resistance across capacitor, the capacitor terminals are opened.
Since
In the circuit shown in figure, it is desired to have a constant direct current i(t) through the ideal inductor L. the nature of the voltage source v(t) must be:
i(t) = constant DC current = step current
where u(t) is unit step function.
Voltage across ideal inductor =
= Ideal Impulse
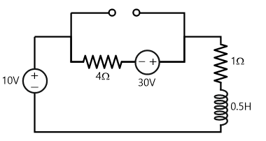
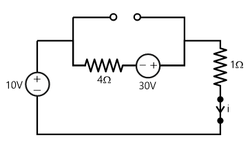
The switch in the following circuit, shown in fig 3, has been connected to the 12 V source for a long time. At t=0, the switch is thrown to 24V. The value of L=2H,
(a) Determine and
(b) Write the differential equation governing for t>0
(c) Compute the steady state value of
The given system is shown below,
L = 2H
(a) at t<0:- Since switch is connected to 12V for long time. Hence, the circuits enters steady state. So ‘L’ behaves as short circuit while capacitor behaves as open circuit.
This condition is shown below,
(b) For t>0, the switch is moved to other position
Using KVL
Putting
(c) At steady state
Inductors becomes short circuited and capacitor becomes open circuited.
In the circuit shown in figure. eg(t)=2.5t volts. What are the values of i(t) and VL(t) at t=4 seconds?
Converting the circuit into laplace domain
Using KVL,
By Partial Fraction,
Solving for A, B & C, we get A = 1.25, B = -2.5, C = 2.5
Taking Inverse Laplace Transform
at t = 4sec,
In the series RC circuit shown in figure the voltage across C starts increasing when the d.c. source is switched on. The rate of increase of voltage across C at the instant just after the switch is closed
(i.e., at ), will be
At t < 0 : switch is open so the capacitor is uncharged.
Since, voltage across capacitor cannot change instantaneously.
Just after t = 0, current in capacitor
Applying KVL at
Putting the value of &
The time constant of the network shown in figure, is
Time constant of RC Network is =
Here, equivalent resistance is Thevenin resistance
across capacitor terminals,
To find , deactivate voltage source,
Time Constant,
Two coils having equal resistance but different inductances are connected in series.
The time-constant of the series combination is:
Assuming time constants of the two coils are,
Coil 1,
Coil 2,
When both coils are connected in series
Time constant =
Given,
=average of time constants of individual coils
The switch S in figure is closed at t=0. If and respectively, voltages across the capacitors in steady state will be :
The circuit in Laplace Domain is shown below,
Steady state value,
is voltage across capacitor
Steady state value
As polarity is not mentioned in question, only magnitude will be the answer.
















































































































































































































































































































































































































































































































































































