Power Electronics
Chopper
Practice questions from Chopper.
53
Total0
Attempted0
Correct0
IncorrectIn the circuit with ideal devices, the power MOSFET is operated with a duty cycle of 0.4 in a switching cycle with and . The power delivered by the current source, in W, is __________ (round off to the nearest integer).
Explanation Locked!
Unlock this branch to view the explanation, track, bookmark and more.
Sign in to UnlockThe steady state capacitor current of a conventional DC-DC buck converter, working in CCM, is shown in one switching cycle. If the input voltage is 30 V, the value of the inductor used, in mH, is ________ (round off to one decimal place).
Explanation Locked!
Unlock this branch to view the explanation, track, bookmark and more.
Sign in to UnlockA forced commutated thyristorized step-down chopper is shown in the figure. Neglect the ON-state drop across the power devices. Assume that the capacitor is initially charged to 50 V with the polarity shown in the figure. The load current can be assumed to be constant at 10 A. Initially, is and is OFF. The turn-off time available to in microseconds, when is triggered, is _______ (rounded off to the nearest integer).
Explanation Locked!
Unlock this branch to view the explanation, track, bookmark and more.
Sign in to UnlockIn the DC-DC converter shown in the figure, the current through the inductor is continuous. The switching frequency is 500 Hz. The voltage across the load is assumed to be constant and ripple free. The peak inductor current in amperes is ________(rounded off to the nearest integer).
Explanation Locked!
Unlock this branch to view the explanation, track, bookmark and more.
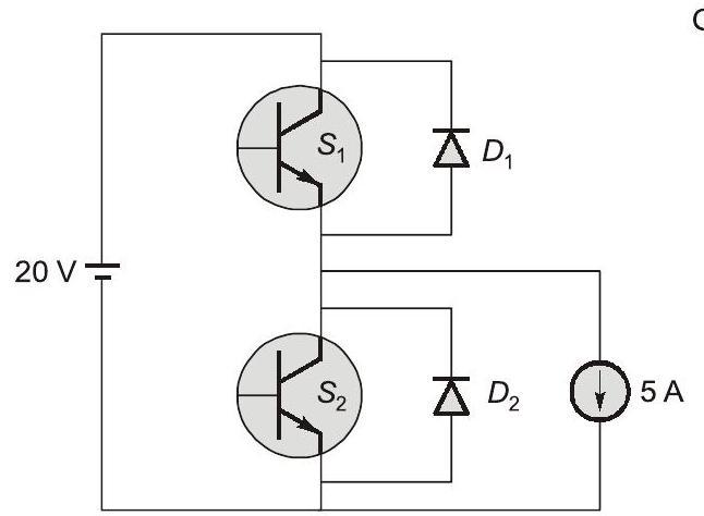
Sign in to UnlockThe chopper circuit shown in figure (i) feeds power to a 5 A DC constant current source. The switching frequency of the chopper is . All the components can be assumed to be ideal. The gate signals of switches and are shown in figure (ii). Average voltage across the 5 A current source is
Fig. (i)
Fig. (ii)
Explanation Locked!
Unlock this branch to view the explanation, track, bookmark and more.
Sign in to UnlockThe steady state current flowing through the inductor of a DC-DC buck boost converter is given in the figure below. If the peak-to-peak ripple in the output voltage of the converter is 1 V, then the value of the output capacitor, in µF, is _______________. (round off to nearest integer)
Explanation Locked!
Unlock this branch to view the explanation, track, bookmark and more.
Sign in to UnlockConsider the boost converter shown. Switch Q is operating at 25 kHz with a duty cycle of 0.6. Assume the diode and switch to be ideal. Under steady-state condition, the average resistance as seen by the source is _______Ω. (Round off to 2 decimal places.)
Explanation Locked!
Unlock this branch to view the explanation, track, bookmark and more.
Sign in to UnlockConsider the buck-boost converter shown. Switch Q is operating at 25 kHz and 0.75 duty-cycle. Assume diode and switch to be ideal. Under steady-state condition, the average current flowing through the inductor is _______A.
Explanation Locked!
Unlock this branch to view the explanation, track, bookmark and more.
Sign in to UnlockIn the DC-DC converter circuit shown, switch Q is switched at a frequency of 10 kHz with a duty ratio of 0.6. All components of the circuit are ideal, and the initial current in the inductor is zero. Energy stored in the inductor in mJ (rounded off to 2 decimal places) at the end of 10 complete switching cycles is _________.
Explanation Locked!
Unlock this branch to view the explanation, track, bookmark and more.
Sign in to UnlockA DC-DC buck converter operates in continuous conduction mode. It has 48 V input voltage, and it feeds a resistive load of 24 Ω. The switching frequency of the converter is 250 Hz. If switch-on duration is 1 ms, the load power is
Explanation Locked!
Unlock this branch to view the explanation, track, bookmark and more.
Sign in to UnlockIn a DC-DC boost converter, the duty ratio is controlled to regulate the output voltage at 48 V. The input DC voltage is 24 V. The output power is 120 W. The switching frequency is 50 kHz. Assume ideal components and a very larger output filter capacitor. The converter operates at the boundary between continuous and discontinuous conduction modes. The value of the boost inductor (in ) is __________.
Explanation Locked!
Unlock this branch to view the explanation, track, bookmark and more.
Sign in to UnlockA DC to dc converter shown in the figure is charging a battery bank, B2 whose voltage is constant at 150V. B1 is another battery bank whose voltage is constant at 50V. The value of the inductor, L is 5mH and the ideal switch, S is operated with a switching frequency of 5 kHz with a duty ratio of 0.4. Once the circuit has attained steady state and assuming the diode D to be ideal, the power transferred from B1 to B2 (in Watt) is _____ (up to 2 decimal places).
Explanation Locked!
Unlock this branch to view the explanation, track, bookmark and more.
Sign in to UnlockThe input voltage of the buck-boost converter shown below varies from 32 V to 72 V. Assume that all components are ideal, inductor current is continuous, and output voltage is ripple free. The range of duty ratio D of the converter for which the magnitude of the steady-state output voltage remains constant at 48 V is
Explanation Locked!
Unlock this branch to view the explanation, track, bookmark and more.
Sign in to UnlockIn the circuit shown all elements are ideal and the switch S is operated at 10kHz and 60% duty ratio. The capacitor is large enough so that the ripple across it is negligible and at steady state acquires a voltage as shown. The peak current in amperes drawn from the 50 V DC source is ___________. (Give the answer up to one decimal place).
Explanation Locked!
Unlock this branch to view the explanation, track, bookmark and more.
Sign in to UnlockA buck converter, as shown in Figure (a) below, is working in steady state. The output voltage and the inductor current can be assumed to be ripple free. Figure (b) shows the inductor voltage during a complete switching interval. Assuming all devices are ideal, the duty cycle of the buck converter is ___________.
Explanation Locked!
Unlock this branch to view the explanation, track, bookmark and more.
Sign in to UnlockA buck-boost DC-DC converter, shown in the figure below, is used to convert 24V battery voltage to 36 V DC voltage to feed a load of 72W. It is operated at 20kHz with an inductor of 2mH and output capacitor 1000μF. All devices are considered to be ideal. The peak voltage across the solid-state switch (S), in volt, is____________.
Explanation Locked!
Unlock this branch to view the explanation, track, bookmark and more.
Sign in to UnlockA DC-DC boost converter, as shown in the figure below, is used to boost 360V to 400V, at a power of a 4kW. All devices are ideal, considering continuous inductor current, the rms current in the solid state switch (S), in ampere, is_______________.
Explanation Locked!
Unlock this branch to view the explanation, track, bookmark and more.
Sign in to UnlockIn the following chopper, the duty ratio of switch S is 0.4. If the inductor and capacitor are sufficiently large to ensure continuous inductor current and ripple free capacitor voltage, the charging current (in Ampere) of the 5 V battery, under steady-state, is _____________.
Explanation Locked!
Unlock this branch to view the explanation, track, bookmark and more.
Sign in to UnlockThe circuit shown is meant to supply a resistive load from separate DC voltage sources. The switches S1 and S2 are controlled so that only one of them is ON at any instant. S1 is turned on for 0.2 ms and S2 is turned on for 0.3 ms in a 0.5 ms switching cycle time period. Assuming continuous conduction of the inductor current and negligible ripple on the capacitor voltage, the outputs voltage (in Volt) across is _____.
Explanation Locked!
Unlock this branch to view the explanation, track, bookmark and more.
Sign in to UnlockA self-commutating switch SW, operated at duty cycle is used to control the load voltage as shown in the figure. Under steady state operating conditions, the average voltage across the inductor and the capacitor respectively, are
Explanation Locked!
Unlock this branch to view the explanation, track, bookmark and more.
Sign in to UnlockA buck converter feeding a variable load is shown in the figure. The switching frequency of the switch is 100 kHz and the duty ratio is 0.6. The output voltage is 36 V. Assume that all the components are ideal, and that the output voltage is ripple-free. The value of R (in Ohm) that will make the inductor current () just continuous is __________.
Explanation Locked!
Unlock this branch to view the explanation, track, bookmark and more.
Sign in to UnlockFor switching converter shown in the following figure, assume steady-state operation. Also assume that the components are ideal, the inductor current is always positive and continuous and switching period is. If the voltage is as shown, the duty cycle of the switch S is______.
Explanation Locked!
Unlock this branch to view the explanation, track, bookmark and more.
Sign in to UnlockA step-up chopper is used to feed a load at 400V dc from a 250V dc source. The inductor current is continuous. If the ‘off’ time of the switch is , the switching frequency of the chopper in kHz is____.
Explanation Locked!
Unlock this branch to view the explanation, track, bookmark and more.
Sign in to UnlockThe separately excited dc motor in the figure below has a rated armature current of 20A and a rated armature voltage of 150 V. An ideal chopper switching at 5 kHz is used to control the armature voltage. If , , neglecting armature reaction, the duty ratio of the chopper to obtain 50% of the rated torque at the rated speed and the rated field current is
Explanation Locked!
Unlock this branch to view the explanation, track, bookmark and more.
Sign in to UnlockIn the figure shown below, the chopper feeds a resistive load from a battery source. MOSFET Q is switched at 250 kHz, with a duty ratio of 0.4. All elements of the circuit are assumed to be ideal.
The average source current in Amps in steady-state is
Explanation Locked!
Unlock this branch to view the explanation, track, bookmark and more.
Sign in to UnlockIn the figure shown below, the chopper feeds a resistive load from a battery source. MOSFET Q is switched at 250 kHz, with a duty ratio of 0.4. All elements of the circuit are assumed to be ideal.
The PEAK-TO-PEAK source current ripple in Amps is
Explanation Locked!
Unlock this branch to view the explanation, track, bookmark and more.
Sign in to UnlockIn the circuit shown, an ideal switch S is operated at 100kHz with a duty ratio of 50%. Given that is 1.6A peak-to-peak and is 5 A dc, the peak current in S is
Explanation Locked!
Unlock this branch to view the explanation, track, bookmark and more.
Sign in to UnlockFigure (i) shows the circuit diagram of a chopper. The switch S in the circuit in the figure (i) is switched such that the voltage across the diode has the wave shape as shown in figure (ii). The capacitance C is large so that the voltage across it is constant. If switch S and the diode are ideal, the peak to peak ripple (in A) in the inductor current is ______________
Explanation Locked!
Unlock this branch to view the explanation, track, bookmark and more.
Sign in to UnlockThe figure shows two buck converters connected in parallel. The common input DC voltage for the converters has a value of 100V. The converters have inductors of identical value. The load resistance is . The capacitor voltage has negligible ripple. Both converters operate in the continuous conduction mode. The switching frequency is 1 kHz, and the switch control signals are as shown. The circuit operates in the steady state. Assuming that the converters share the load equally, the average value of, the current of switch S1 (in Ampere), is ______ (up to 2 decimal places).
Explanation Locked!
Unlock this branch to view the explanation, track, bookmark and more.
Sign in to UnlockA voltage commutated chopper circuit, operated at 500Hz, is shown below
If the maximum value of load current is 10A, then the maximum current through the main (M) and auxiliary (A) thyristor will be
Explanation Locked!
Unlock this branch to view the explanation, track, bookmark and more.
Sign in to UnlockThe power electronic converter shown in the figure has a single-pole double-throw switch. The pole P of the switch is connected alternately to throws A and B. The converter shown in figure is
Explanation Locked!
Unlock this branch to view the explanation, track, bookmark and more.
Sign in to UnlockIn the chopper circuit shown, the main thyristor is operated at a duty ratio of 0.8 which is much larger the commutation interval. If the maximum allowable reapplied dv/dt on is , what should be the theoretical minimum value of ? Assume current ripple through to be negligible.
Explanation Locked!
Unlock this branch to view the explanation, track, bookmark and more.
Sign in to UnlockIn the circuit shown in the figure, the switch is operated at a duty cycle of 0.5. A large capacitor is connected across the load. The inductor current is assumed to be continuous. The average voltage across the load and the average current through the diode will respectively be
Explanation Locked!
Unlock this branch to view the explanation, track, bookmark and more.
Sign in to UnlockA voltage commutated chopper operating at 1 kHz is used to control the speed of dc motor as shown in figure. The load current is assumed to be constant at 10 A.
The minimum time in µsec for which the SCR M should be ON is
Explanation Locked!
Unlock this branch to view the explanation, track, bookmark and more.
Sign in to UnlockA voltage commutated chopper operating at 1 kHz is used to control the speed of dc motor as shown in figure. The load current is assumed to be constant at 10 A.
The average output voltage of the chopper will be
Explanation Locked!
Unlock this branch to view the explanation, track, bookmark and more.
Sign in to UnlockFigure shows a step-down chopper switched at 1 KHz with a duty ratio D = 0.5. The peak-peak ripple in the load current is close to
Explanation Locked!
Unlock this branch to view the explanation, track, bookmark and more.
Sign in to UnlockConsider a phase controlled converter shown in Figure. The thyristor is fired at an angle α in every positive half cycle of the input voltage. If the peak value of the instantaneous output voltage equals 230 V, the firing angle α is close to
Explanation Locked!
Unlock this branch to view the explanation, track, bookmark and more.
Sign in to UnlockFigure shows a chopper operating from a 100 V dc input. The duty ratio of the main switch S is 0.8. The load is sufficiently inductive so that the load current is ripple free. The average current through the diode D under steady state is
Explanation Locked!
Unlock this branch to view the explanation, track, bookmark and more.
Sign in to UnlockFigure shows a chopper. The device S1 is the main switching device. S2 is the auxiliary commutation device. S1 is rated for 400V, 60A. S2 is rated for 400V, 30 A. the load current is 20 A. The main device operates with a duty ratio of 0.5. The peak current through S1 is
Explanation Locked!
Unlock this branch to view the explanation, track, bookmark and more.
Sign in to UnlockA chopper is employed to charge a battery as shown in Figure. The charging current is 5A. The duty ratio is 0.2. The chopper output voltage is also shown in Figure. The peak-to-peak ripple current in the charging current is
Explanation Locked!
Unlock this branch to view the explanation, track, bookmark and more.
Sign in to UnlockA step down chopper is operated in the continuous conduction mode in steady state with a constant duty ratio D. If is the magnitude of the dc output voltage and if is the magnitude of the dc input voltage, the ratio is given by
Explanation Locked!
Unlock this branch to view the explanation, track, bookmark and more.
Sign in to UnlockIn the chopper circuit shown in Figure the input dc voltage has a constant value, the output voltage is assumed ripple-free. The switch S is operated with a switching time period T and a duty ratio D. what is the value of D at the boundary of continuous and discontinuous conduction of the inductor current ?
Explanation Locked!
Unlock this branch to view the explanation, track, bookmark and more.
Sign in to UnlockIn Figure, the ideal switch S is switched on and off with a switching frequency f = 10 kHz. The switching time period is. The circuit is operated in steady state at the boundary of continuous and discontinuous conduction, so that the inductor current I is as shown in Figure. Find
(a) The on-time of the switch.
(b) The value of the peak current.
Explanation Locked!
Unlock this branch to view the explanation, track, bookmark and more.
Sign in to UnlockIn the circuit shown in Figure, the source I is a dc current source. The switch S is operated with a time period T and a duty ratio D. You may assume that the capacitance C has a finite value which is large enough so that the voltage. has negligible ripple. Calculate the following under steady state conditions, in terms of D, I and R.
(a) The voltage, with the polarity shown in Figure.
(b) The average output voltage, with the polarity shown.
Explanation Locked!
Unlock this branch to view the explanation, track, bookmark and more.
Sign in to UnlockThe semiconductor switch S in the circuit of Figure is operated at a frequency of 20 kHz and a duty ratio D=0.5. The circuit operates in the steady state. Calculate the power transferred from the dc voltage source to the dc voltage source.
Explanation Locked!
Unlock this branch to view the explanation, track, bookmark and more.
Sign in to UnlockA voltage commutated thyristor chopper circuit is shown in figure. The chopper is operated at 500 Hz with 50% duty ratio. The load takes a constant current of 20A.
(a) Evaluate the circuit turn off time for the main thyristor .
(b) Calculate the value of inductor L, if the peak current through the main thyristor is limited to 180% of the load current.
(c) Calculate the maximum instantaneous output voltage of the chopper.
Explanation Locked!
Unlock this branch to view the explanation, track, bookmark and more.
Sign in to UnlockA step down chopper operates from a dc voltage source and feeds a dc motor armature with a back emf . From oscilloscope traces, it is found that the current increases for time, falls to zero over time, and remains zero for time, in every chopping cycle. Then the average dc voltage across the freewheeling diode is:
Explanation Locked!
Unlock this branch to view the explanation, track, bookmark and more.
Sign in to UnlockIn a thyristor dc chopper, which type of commutation results in best performance?
Explanation Locked!
Unlock this branch to view the explanation, track, bookmark and more.
Sign in to UnlockA dc to dc transistor chopper supplied from a fixed voltage dc source feeds a fixed resistive-inductive load and a free-wheeling diode. The chopper operates at 1 kHz and 50% duty cycle. Without changing the value of the average dc current through the load, if it is desired to reduce the ripple content of load current, the control action needed will be:
Explanation Locked!
Unlock this branch to view the explanation, track, bookmark and more.
Sign in to UnlockConsider the chopper circuit of figure. The chopper operates at 400Hz and 50% duty cycle. The load current remains almost ripple free at 10A. Assuming the input voltage to be 200V and the devices to be ideal, the turn-off time available to the thyristor ThM is ____ μs.
Explanation Locked!
Unlock this branch to view the explanation, track, bookmark and more.
Sign in to UnlockA chopper operating at a fixed frequency is feeding an R-L load. As the duty ratio of the chopper is increased from 25% to 75%, the ripple in the load current
Explanation Locked!
Unlock this branch to view the explanation, track, bookmark and more.
Sign in to UnlockIn the circuit shown in figure, L is large and the average value of ‘i’ is 100A. The thyristor is gated in the ________________ half cycle of ‘e’ at a delay angle equal to __________
Explanation Locked!
Unlock this branch to view the explanation, track, bookmark and more.
Sign in to UnlockFigure shows the circuit schematic of a chopper driven, separately excited d.c. motor. The single-pole double-throw switch operates with a switching period is 0.2. The motor may be assumed lossless, with an armature inductance of 10 mH. The motor draws an average current of 20A at a constant back emf of 80V, under steady state.
(a) Sketch and label the voltage waveform of the chopper for one switching period
(b) Sketch and label the motor current for one switching period.
(c) Evaluate the peak-to-peak current ripple of the motor.
Explanation Locked!
Unlock this branch to view the explanation, track, bookmark and more.
Sign in to Unlock











































































































































