Digital Electronics
Sequential Circuits
Practice questions from Sequential Circuits.
5
Total0
Attempted0
Correct0
IncorrectA positive-edge-triggered sequential circuit is shown below. There are no timing violations in the circuit. Input is set to logic ' 0 ' and is set to logic ' 1 ' at all times. The timing diagram of the inputs and are also shown below.
The sequence of output from time to is ________.
Label left as and right
Y=1011
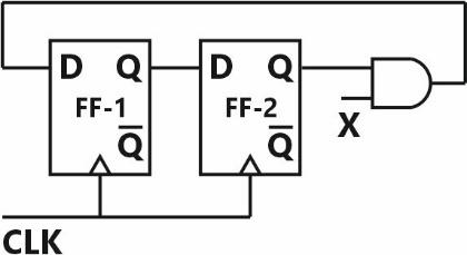
In the circuit shown below, the AND gate has a propagation delay of 1 ns. The edge-triggered flip-flops have a set-up time of 2 ns, a hold-time of 0 ns, and a clock-to-Q delay of 2 ns.
The maximum clock frequency (in MHz, rounded off to the nearest integer) such that there are no setup violations is ________
Given:
For FF, set-up time
For FF-1,
For
Time required for clock,
Maximum clock frequency,
The sequence of states of the given synchronous sequential circuit is ________.
Based on the logic circuit given in the question,
and
As per the characteristic equation of T-flipflop
So,
The synchronous sequential circuit shown below works at a clock frequency of . The throughput, in bits/s, and the latency, in ns, respectively, are
The given circuit is a type of serial input serial output.
The latency is given by the formula.. Latency where, number of flip flops
The Throughput is given by the formula. Throughput= Number of bits/sec
In a given sequential circuit, initial states are and . For a clock frequency of , the frequency of signal in , is ________. (rounded off to the nearest integer).
Given, initial states, and
Clock frequency,
As after 4 CLK pulses the sequential circuit repeats itself so its MOD no. 4.
The frequency of signal




































































